30A contact switching capacity. Permanent magnets generate a transverse magnetic field to achieve high-voltage DC disconnection.
InquiryFeatures
• Fully sealed structure, with a protection level of IP67.
• Small in size and lightweight.
• Fully complies with ROHS requirements.
• Applicable to electric vehicle pre-charging systems, battery switches and backup power supplies, DC power control, circuit safety protection, etc.
Performance parameters
|
Parameter |
Unit |
Value |
|
|
Main contact form |
/ |
one normal open |
|
|
Operating voltage of contact |
V (DC) |
12~1000 |
|
|
Rated control capacity |
/ |
30A 450V(DC-1) |
|
|
Rated short-time withstand current and duration |
/ |
50A 300s |
|
|
100A 30s |
|||
|
contact voltage drop |
mV |
≤80 |
|
|
Action time (including contact bounce) |
ms |
≤15 |
|
|
release time |
ms |
≤6 |
|
|
Contact bounce time |
ms |
≤6 |
|
|
Maximum breaking current (only allowed to break once) |
/ |
210A,80V |
|
|
Load life (non-polarized, purely resistive load) |
time |
50A, 450V |
10000 |
|
30A, 750V |
6000 |
||
|
20A, 1000V |
6000 |
||
|
mechanical life |
time |
1,000,00 |
|
|
insulation resistance |
MΩ |
100 (under the condition of 500V (DC)) |
|
|
Withstand Voltage |
V (AC) |
2200V (AC) 50 Hz/60 Hz (Leakage current ≤1mA) |
|
|
Operating Temperature |
℃ |
-40~+85 |
|
|
Operating Humidity |
/ |
5%~90% |
|
|
Impact, 11ms, 1/2 sine wave, peak value |
G |
20 |
|
|
Vibration, sine wave, 80~2000Hz, peak value |
G |
20 |
|
|
Rated duty cycle |
/ |
Continuous working duty |
|
|
Weight (approximately) |
g |
125 |
|
|
Installation method |
/ |
arbitrary |
|
Coil parameters
|
Coil type |
Non-energy-saving type |
||
|
Rated voltage of coil (Us) |
12V (DC) |
24V (DC) |
48V (DC) |
|
Operating voltage range (@20℃) |
85%Us~110%Us |
||
|
Pickup voltage (V (DC)) @20℃ |
≤9 |
≤18 |
≤36 |
|
Release voltage (V (DC)) @20℃ |
≥1 |
≥2 |
≥4 |
|
Maximum surge current of coil (A) |
/ |
/ |
/ |
|
Maximum surge time (ms) |
/ |
/ |
/ |
|
Coil holding current (A) @20℃ |
≤0.4 |
≤0.2 |
≤0.1 |
|
Coil holding power (W) @20℃ |
≤5 |
≤5 |
≤5 |
Note:
1. The rated electrical endurance of the product is based on resistive load testing, with the maximum inductance of the load not exceeding 27μH; for inductive loads, please consult the factory.
2. The above figure is drawn based on the estimation of test and inferred data. It is recommended that users conduct tests and confirmations according to the actual usage route.
3. When the dielectric withstand voltage and insulation resistance of the product are less than the parameters listed in the product parameter table, the product is defined as having reached the end of its lifespan.
Model Description

①: Product model
②: Contact voltage: (None: Low voltage; G: High voltage)
③: Rated operating current: "30" = 30A
④: A: Equipped with energy-saving circuit board
⑤: B: One normal closed; (None: One normal open)
⑥: C: Magnetic latching
⑦: D: Single coil
⑧: T: Ceramic base
⑨: S: one normal open auxiliary contacts
⑩: Rated voltage of coil: "6" = 6V (DC), "12" = 12V (DC), "24" = 24V (DC), "48" = 48V (DC), "72" = 72V (DC)
⑪: Connection method: (N: External thread; K: Internal thread)
⑫: Installation method: (None: bottom installation)
⑬: Customer Special Code: 01-99
Example: NFG30DK/24V indicates that the product has a rated load current of 30A (resistive), with a main contact form of one normal open contacts (female thread), coil voltage of DC 24V, and a bottom mounting method.
Circuit principle

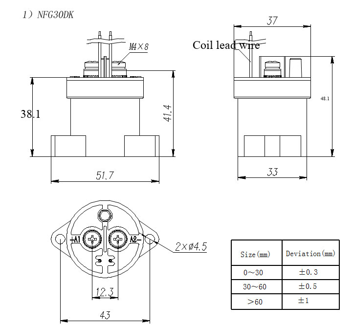
Outline dimension diagram

Precautions for use
50A contact switching capacity. Permanent magnets generate a transvers
100A contact switching capacity. Permanent magnets generate a transver