The magnetic latching contactor can be used for AC loads of 380V, 220V, and 110V.it is mainly used in the EPS power supply of the communication base station.
InquiryApplication
ZJW50-20 50A DC Contactor is used for the EPS power supply of communication base stations. The contacts can also be used for 380V, 220V, and 110V AC loads. It is installed vertically. The rated voltage is not greater than DC80V and the current is 50A.
Ordering Notice
For example: ZJW50-20S/12V
The DC contactor of main contact is 2NO, with micro switch, vertical installation, rated voltage not more than DC80V, current 50A, coil voltage is
| Basic Technical Parameters (at normal conditions) | |||
| Electric Parameters | |||
| Contact type | 2 NO of bridge type | Instantaneous maxi (closing) current | 7Ie,≤1s |
| Rated voltage of contacts (DC) | DC: 80V; AC: 380V | Insulation resistance(MΩ) | ≥100 |
| Rated current of contacts (A) | DC: 50; AC: 10 | Dielectric withstand voltage | 2500V,p.f. 1min, no breakdown |
| Voltage drop on contacts(mV) | ≤100 | Electric cycles (104) | ≥2 |
| Coil voltage specification(DC) | 6~220V | Mechanical cycles (104) | ≥30 |
| DC power consumption of coil (W) | ≤12 | Temperature rise on outgoing terminal | ≤65 |
| Pickup voltage(DC) | ≤70%Ue | Temperature rise of coil(K) | ≤85 |
| Release voltage(DC) | ≥5%Ue;≤40%Ue | Insulation grade of enameled wire | Class B (130°C) |
| Pickup time(ms) | ≤50 | Material of contact | AgCuO(10)/Cu |
| Release time(ms) | ≤50 | Working duty | Continuous operating duty |
| Magnetic Retention Structure Supplementary Parameter | |||
| Contact initial state | NO | Control power supply characteristics | Positive and reverse pulse power supply |
| Contact action characteristics | Coil plus positive pulse contact closure | Power pulse time | 200ms≤t≤1s |
| Coil plus reverse pulse contact disconnect | Pickup voltage(DC) | ≤75%Ue | |
| Instantaneous power consumption of the coil | ≤24.0(W) | Release voltage(DC) | ≤75%Ue |
| Duty cycle | ≤0.25 | ||
| Mechanical/Ambient Conditions | |||
| Torque of outgoing terminal on contact M5(N.m) | ≯2.5N appropriate | Protection grade | IP50 |
| Coil wiring insert(mm) | 0.8 | Mounting methods | Freely |
| Working temperature | (-25~+55)°C | Vibration | Sine shock: 2.5g, (5~50) Hz |
| Mounting altitude | ≤2Km | Impact | 50g,11ms(Half sine) |
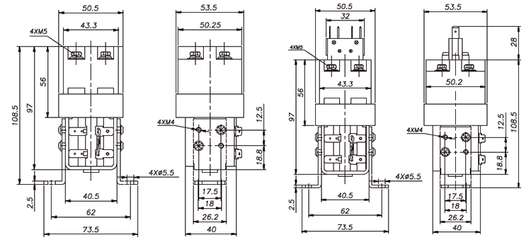
Outline and Mounting Picture


| Basic size (mm) | Tolerance size (mm) |
| 0~30 | ±0.2 |
| 30~60 | ±0.3 |
| 60~100 | ±0.5 |
| >100 | ±1.0 |
DC contactor supplier tells you that the product is mainly used in the
The product is mainly used in the EPS power supply of the communicatio
The dc contactor 12v is mainly used to control switching on/off of the
The product is mainly used in the EPS power supply of the communicatio