The coil of the 12V DC reversing contactor produced by the DC contactor supplier uses DC power supply, mainly used in the EPS power supply of the communication base station, and the contacts can also be used for AC loads of 380V, 220V and 110V.
InquiryApplication
The coil of the DC reversing contactor produced by the DC contactor supplier uses DC power supply, mainly used in the EPS power supply of the communication base station, and the contacts can also be used for AC loads of 380V, 220V and 110V.
The DC reversing contactors of DC contactor suppliers are compact in design and stable in structure, and can work stably in various harsh environments to ensure reliable power supply and safe operation of communication equipment.
Experienced DC contactor suppliers ensure that communication equipment can be switched to backup power in a timely manner in the event of a power outage or emergency, ensuring the continued and stable operation of the communication system.
Ordering Notice
For example: ZJW100-33S/12V
The DC contactor of main contact is 3NO+3NC, with micro switch, vertical installation, rated voltage not more than DC80V, current 100A, coil voltage is
| Basic Technical Parameters (at normal conditions) | |||
| Electric Parameters | |||
| Contact type | 3 NO+3NC of bridge type | Instantaneous maxi (closing) current | 7Ie,≤1s | 
| Rated voltage of contacts (DC) | DC: 80V; AC: 380V | Insulation resistance(MΩ) | ≥100 | 
| Rated current of contacts (A) | DC: 100; AC: 30 | Dielectric withstand voltage | 2500V,p.f. 1min, no breakdown | 
| Voltage drop on contacts(mV) | ≤80(at 100A) | Electric cycles (104) | ≥2 | 
| Coil voltage specification(DC) | 6~220V | Mechanical cycles (104) | ≥30 | 
| DC power consumption of coil (W) | ≤23 | Temperature rise on outgoing terminal | ≤65 | 
| Pickup voltage(DC) | ≤70%Ue | Temperature rise of coil(K) | ≤85 | 
| Release voltage(DC) | ≥5%Us;≤40%Us | Insulation grade of enameled wire | Class B (130°C) | 
| Pickup time(ms) | ≤30 | Material of contact | AgCuO(10)/Cu | 
| Release time(ms) | ≤50 | Working duty | Continuous operating duty | 
| Magnetic Retention Structure Supplementary Parameter | |||
| Contact initial state | NO | Control power supply characteristics | Positive and reverse pulse power supply | 
| Contact action characteristics | Coil plus positive pulse contact closure | Power pulse time | 200ms≤t≤1s | 
| Coil plus reverse pulse contact disconnect | Pickup voltage(DC) | ≤75%Ue | |
| Instantaneous power consumption of the coil | ≤48.0(W) | Release voltage(DC) | ≤75%Ue | 
| Mechanical/Ambient Conditions | |||
| Torque of outgoing terminal on contact M6(N.m) | ≯4.5N appropriate | Protection grade | IP50 | 
| Coil wiring insert(mm) | 0.8 | Mounting methods | Freely | 
| Working temperature | (-25~+55)°C | Vibration | Sine shock: 2.5g, (5~50) Hz | 
| Mounting altitude | ≤2Km | Impact | 50g,11ms(Half sine) | 
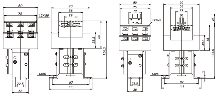
Outline and Mounting Picture


| Basic size (mm) | Tolerance size (mm) | 
| 0~30 | ±0.2 | 
| 30~60 | ±0.3 | 
| 60~100 | ±0.5 | 
| >100 | ±1.0 | 
The product is mainly used in the EPS power supply of the communicatio
The dc contactor 12v is mainly used to control switching on/off of the
Application The product is mainly used in the EPS power supply of the
Application The product is mainly used in the EPS power supply of the